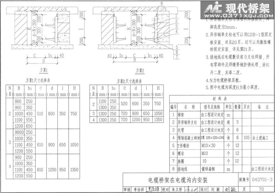
说明: 1.异形钢单支柱与预埋件焊接固定.焊脚高度为3mm。 2. 异形钢单支柱也可以用GDB-1型固定板安装.详见20页。还可以用膨胀螺栓固定安装.详见第21页。 3.接地线在电缆敷设前与支柱焊接.所有零部件及焊缝要做防锈处理,涂红丹二度.灰漆二度。 4.N为电缆桥架层数。 5.图中电缆沟深度H为最小深度。
地址:国家郑州经济技术开发区航海路东1071号 邮编:450009 电话:086-371-65555551 60969188 传真:086-371-65555552 豫ICP备09028080号 Copyright2006-2020©郑州现代电缆桥架厂 版权所有